ISO Taper-toolholders BT-P |
![]() |
Blank ![]() |
![]()
|
![]()
|
||||||||||||||||||||||||||||||||
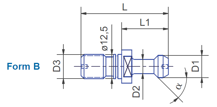
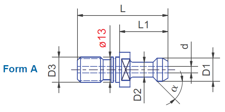
Retention knobs MAS BT30x45°/ 60° ![]() |
| Retention knobs | |||||||||
| Art.-Nr. | Type | D1 | D2 | D3 | L | L1 | α | d | Form |
| 30.12.4 | BT30x45° | 11.0 | 7.0 | M12 | 43 | 23 | 45° | - | B |
| 30.12.4-C | BT30x45° iK | 11.0 | 7.0 | M12 | 43 | 23 | 45° | ø2.5 | A |
| 30.12.41 | BT30x60° | 11.0 | 7.0 | M12 | 43 | 23 | 60° | - | B |
| 30.12.41-C | BT30x60° iK | 11.0 | 7.0 | M12 | 43 | 23 | 60° | ø2.5 | A |
| 30.12.43-C | BT30x45° iK Fanuc | 11.0 | 8.0 | M12 | 43 | 23 | 45° | ø4 | A |
| 30.12.44-C | BT30x60° iK Brother | 11.0 | 7.5 | M12 | 43 | 23 | 60° | ø4 | A |
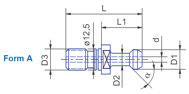
Retention knob SK30x45° for Fanuc machines ![]() |
| Retention knobs | |||||||||
| Art.-Nr. | Type | D1 | D2 | D3 | L | L1 | α | d | Form |
| 30.12.1-F | SK30x45° iK Fanuc | 11.0 | 8.0 | M12 | 43.6 | 23.6 | 45° | ø4 | A |
![]() |
|
![]() |










































